History of computer memory

By jin2746
  • Analytical Engine

    Analytical Engine

    "Charles Babbage begins build his "Analytical Engine", precursor to the computer. It uses read-only memory in the form of punch cards."
  • Drum memory created

    "Gustav Tauschek invents drum memory in Austria."
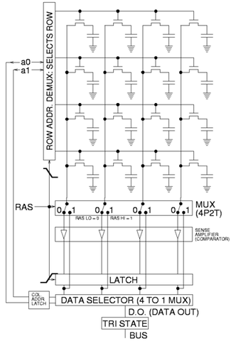
  • Period: to

    Drum Memory use

    "an early form of computer memory that actualy did use a drum as a working part with data loaded to the drum."
  • sliding mechanical memory

    sliding mechanical memory

    "Konrad Zuse applies for a patent for his mechanical memory to be used in his computer. This computer memory is based on sliding metal parts."
  • Neon Memory

    "Helmut Schreyer invents a prototype memory using neon lamps."
  • The Atanasoff-Berry Computer

    The Atanasoff-Berry Computer

    "The Atanasoff-Berry Computer has 60 50-bit words of memory in the form of capacitors mounted on two revolving drums. For secondary memory it uses punch cards."
  • the Selectron tube

    "Jan Rajchman begins his work on developing the Selectron tube that was capable of storing 256 bits. Because of the popularity of magnetic core memory at the time, the Selectron tube was never put into mass production."
  • CRT storing device

    "Freddie Williams applies for a patent on his cathode-ray tube (CRT) storing device on December 11, 1946. The device that later became known as the Williams tube or more appropriately the Williams-Kilburn tube. The tube stored only stored 128 40-bit words and is the first practical form of random-access memory."
  • magnetic core memory

    "Frederick Viehe of Los Angeles, applies for a patent for an invention that uses magnetic core memory. Magnetic drum memory is independently invented by several people."
    .:.:.:.:.:.
  • Williams-Kilburn tube

    Williams-Kilburn tube

    "Freddie Williams memory system known as the Williams-Kilburn tube is now in working order."
  • magnetic core memory commonly used

    "Jay Forrester conceives the idea of magnetic core memory as it is to become commonly used, with a grid of wires used to address the cores. The first practical form manifests in 1952-53 and renders obsolete previous types of computer memory."
  • the first commercial computer

    the first commercial computer

    "Ferranti Ltd. completes the first commercial computer with 256 40-bit words of main memory and 16K words of drum memory. Only eight were sold."
  • the UNIVAC

    the UNIVAC

    "The United States Government receives the UNIVAC 1101 or ERA 1101. This computer is considered to be the first computer that was capable of storing and running a program from memory."
  • Matrix core memory

    Matrix core memory

    "Jay Forrester files a patent for matrix core memory."
  • The EDVAC computer is completed

    The EDVAC computer is completed

    "The EDVAC computer is completed with 1024 44-bit words of ultrasonic memory. A core memory module is added to the ENIAC computer."
  • Whirlwind machine

    "MIT introduces the Whirlwind machine on March 8, 1955, a revolutionary computer that was the first digital computer with magnetic core RAM."
  • patent #2,708,722 confusion

    "An Wang was issued U.S. patent #2,708,722 with 34 claims for magnetic memory core."
  • Intel starts

    "The newly formed Intel starts -- sells a semiconductor chip with 2,000 bits of memory."
  • Hewlett-Packard releases their HP2116A real-time computer

    Hewlett-Packard releases their HP2116A real-time computer

    "Hewlett-Packard releases their HP2116A real-time computer with 8K of memory."
  • DRAM cell

    DRAM cell

    "USPTO grants patent 3,387,286 to IBM's Robert Dennard for a one-transistor DRAM cell. DRAM stands for Dynamic RAM (Random Access Memory) or Dynamic Random Access Memory. DRAM will become the standard memory chip for personal computers replacing magnetic core memory."
  • a 1 KB RAM chip

    "Intel begin as chip designers and produce a 1 KB RAM chip, the largest memory chip to date. Intel soon switch to being notable designers of computer microprocessors."
  • Phase-change memory

    "Charles Sie publishes a dissertation at Iowa State University where he described and demonstrated Phase-change memory (PRAM). Although PRAM has still never been commercially practical, it is still being developed at companies like Samsung."
  • 3101 Schottky TTL

    "Intel releases its first product, the 3101 Schottky TTL bipolar 64-bit static random-access memory (SRAM). In the same year Intel released the 3301 Schottky bipolar 1024-bit read-only memory (ROM)."
  • Intel releases the 1103 chip

    Intel releases the 1103 chip

    "Intel releases the 1103 chip, the first generally available DRAM memory chip."
  • EROM

    Intel releases the 1101 chip, a 256-bit programmable memory, and the 1701 chip, a 256-byte erasable read-only memory (EROM).
  • the EPROM

    "While at Intel, Dov Frohman invents and patents (#3,660,819) the EPROM."
  • memory system for a multichip digital computer

    Intel receives a U.S. patent for a "memory system for a multichip digital computer".
  • Altair released

    Altair released

    Personal consumer computer Altair released, it uses Intel's 8-bit 8080 processor and includes 1 KB of memory. Later in the same year, Bob Marsh manufacturers the first Processor Technology's 4 kB memory boards for the Altair.
  • Macintosh pc

    Macintosh pc

    "Apple Computers releases the Macintosh personal computer. It is the first computer that came with 128KB of memory. The one-megabyte memory chip is developed."
  • flash memory

    "Fujio Masuoka invents flash memory."

Looking for a timeline maker?

Create timelines for projects, roadmaps, history, lessons, legal cases, and stories with Timetoast. Timetoast is a timeline maker for work, school, research, and stories.