You are not authorized to access this page.
Bender

Hitos que dieron lugar al concepto de robotica

  • Robot De Pintura
    1961 BCE

    Robot De Pintura

    Trallfa, una firma noruega, construyó e instaló un robot de pintura por pulverización.
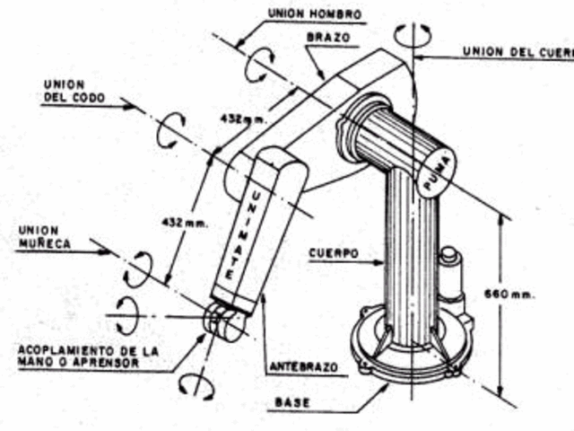
  • Robot "Unimate"
    1960 BCE

    Robot "Unimate"

    Se introdujo el primer robot ‘Unimate’’, basada en la transferencia de artic. programada de Devol. Utilizan los principios de control numérico para el control de manipulador y era un robot de transmisión hidráulica.
  • Maquina prototipo de control numerico
    1952 BCE

    Maquina prototipo de control numerico

    Una máquina prototipo de control numérico fue objetivo de demostración en el Instituto Tecnológico de Massachusetts después de varios años de desarrollo.
    Un lenguaje de programación de piezas denominado APT (Automatically Programmed Tooling) se desarrolló posteriormente y se publicó en 1961.
  • Tele Operadores
    1951 BCE

    Tele Operadores

    Trabajo de desarrollo con tele operadores (manipuladores de control remoto)para manejar materiales radiactivos. Patente de Estados Unidos emitidas para Goertz (1954) y Bergsland (1958).
  • Dispositivo Controlador
    1946 BCE

    Dispositivo Controlador

    El inventor americano G.C Devol desarrolló un dispositivo controlador que podía registrar señales eléctricas por medios magnéticos y reproducirlas para
  • Muñeca Mecanica
    1805 BCE

    Muñeca Mecanica

    H. Maillardet construyó una muñeca mecánica capaz de hacer dibujos.
  • Telar
    1801 BCE

    Telar

    J. Jaquard invento su telar, que era una máquina programable para la urdimbre

Want to make a timeline like this?

Use Timetoast to turn dates, events, milestones, and phases into a clear visual timeline you can build and share. Timetoast is a timeline maker for work, school, research, and stories.