Pascal1

Evolución de los avances tecnológicos: máquinas de cálculo y control numérico

  • Siglo XIV
    1301

    Siglo XIV

    Se usó el primer aditamento con información secuenciada en los cilindros con pernos en los relojes de las iglesias.
  • Pascal construyó una calculadora mecánica.

    Pascal construyó una calculadora mecánica.

  • Programación del tejido por medio de fichas perforadas

    Programación del tejido por medio de fichas perforadas

    Basil Bouda y Falcon, intentó programar el diseño del tejido por medio de fichas perforadas. De este modo, sólo determinadas agujas del telar podían atravesar los agujeros, pudiéndose conseguir así el dibujo de tejidos.
  • Tarjetas perforadas

    Tarjetas perforadas

    Joseph Marie Jacquard, perfeccionó la técnica de controlar las agujas tejedoras del telar mediante tarjetas perforadas. Las agujas podían solamente pasar por los lugares en los que había agujeros. Colocando las fichas en forma de correa móvil, se podían tejer automáticamente complicados diseños.
  • Máquina analítica

    Máquina analítica

    Luego de fracasar por 11 años, Babbage crea la máquina analítica, la cual era capaz de hacer operaciones matemáticas.
  • Piano automático

    Piano automático

    Un nuevo tipo de piano surge cuando Seytre y Pape de Francia, y Bain de Escocia, producen instrumentos automáticos que utilizan un sistema de perforación, pero ninguno de ellos alcanzó el reconocimiento comercial. Giovanni Racca fue el primero en producir con éxito un piano automático basado en este principio.
  • Pianola

    Pianola

    M. Fourneaux patentó el primer piano automático, usando el principio de pasar aire a través de un rollo de papel perforado; llamándola pianola.
  • Microprocesador

    Microprocesador

    Intel presenta el primer procesador comercial y a la vez el primer chip Microprocesador, el Intel 4004.
  • Válvula de vacío (Principios del siglo XX)

    Válvula de vacío (Principios del siglo XX)

    La válvula de vacío fue el componente crítico que posibilitó el desarrollo de la electrónica, basándose en los estudios de Frederick Guthrie en 1873.
  • Bendix Corporation

    Bendix Corporation

    La "Bendix Corporation" tiene dificultades para fabricar una leva tridimensional de una bomba de inyección para motores de avión. La solución se encontró utilizando una máquina que definía una gran cantidad de puntos de la trayectoria de la herramienta y llevando esta herramienta de manera secuencial de un punto a otro.
  • Máquina electrónica computable

    Máquina electrónica computable

    Aiken en E.U.A. y Zuse en Alemania usando relevadores construyeron la primera máquina electrónica computable.
  • ENIAC

    ENIAC

    Mauchly and Eckert construyeron la primera computadora electrónica ENIAC (Electronic Numerical Integrator and Computer), contenía 18000 bulbos, 500,000 conexiones soldadas a mano, pesaba 30 toneladas, ocupaba 160 m, su carga electrónica era de 174 kW.
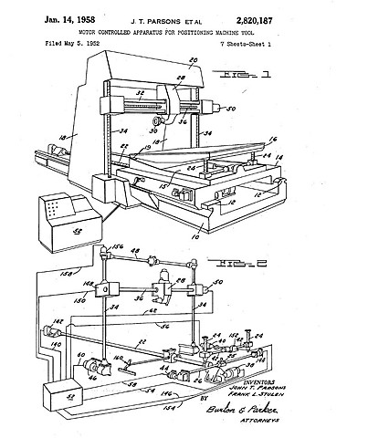
  • Parsons Corporation

    La “Parsons Corporation” de Michigan desarrolló un sistema de control que dirige un husillo de muchos puntos en sucesión.
  • Transistor

    Transistor

    Se desarrolló el transistor.
  • Control por ordenador

    Control por ordenador

    El Laboratorio de Servomecanismos del Instituto Tecnológico de Massachusetts (MIT) añadió un control por ordenador al sistema de Parsons
  • NC

    NC

    Se mostró la primera máquina herramienta NC, en el Instituto Tecnológico de Massachusetts.
  • Control Numérico

    El concepto de Control Numérico se anunció al público.
  • APT

    Desarrollo del APT (Automatically Programmed Tool)
  • Patente de la máquina de control numérico

    Se otorga la patente de la máquina de control numérico a los inventores John T. Parsons and Frank Stulen. Patente No. 2,821,187.
  • Circuitos integrados

    Circuitos integrados

    Se empezaron a construir circuitos integrados.
  • Micorosft

    Micorosft

    Paul Allen y Bill Gates fundan Microsoft.
  • MS-DOS

    MS-DOS

    Microsoft presenta su sistema operativo MS-DOS, por encargo de IBM, base de una gran cantidad de controladores para los actuales CNC.