Historia de la computadora

Historia de la computadora

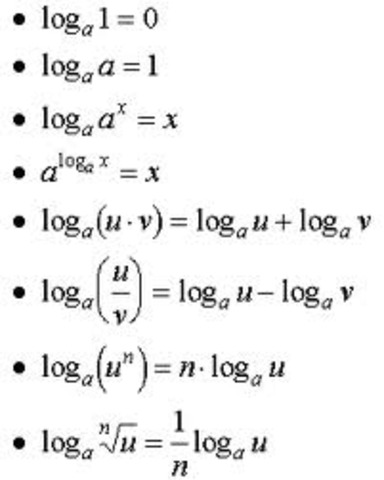
  • Logaritmos
    Jan 1, 1550

    Logaritmos

    el matemático escocés John Napier desarrolló y descubrio los logaritmos e invento un sistema utilizando logaritmos y huesos o marfil. llamado Niaper Bones.
  • La primera calculadora

    La primera calculadora

    La primera calculadora mecánica fue diseñada por Wilhelm Schickard en Alemania. Llamado "El Reloj Calculador" que utilizo logaritmos.
  • Regla deslizante

    Regla deslizante

    La primera regla deslizante o tambien llamada Circulos de proporcion fue inventada por el matemático inglés William Oughtred.
  • La pascalina

    La pascalina

    Con esta máquina, los datos se representaban mediante las posiciones delos en granajes.
  • La primera maquina de multiplicar

    La primera maquina de multiplicar

    La primera máquina de multiplicar se inventó por Sir Samuel Morland.
  • La primera calculadora multiproposito general

    La primera calculadora multiproposito general

    fue inventada por el matemático alemán Gottfried Leibniz.
  • El ajedrez autómata

    El ajedrez autómata

    "El Turco", fue inventado por el Barón Wolfgang von Kempelen pero fue una farsa.
  • La primera máquina lógica

    La primera máquina lógica

    fue inventada por Charles Mahon,
  • El hilar

    El hilar

    Joseph Marie Jacquard, utilizó un mecanismo de tarjetas perforadas para controlar el dibujo formado por los hilos de las telas confeccionadas por una máquina de tejer.
  • La primera Calculadora de produccion masiva

    La primera Calculadora de produccion masiva

    se distribuyó por Charles Thomas de Colmar.
  • Máquina de proposito especifico

    Máquina de proposito especifico

    Charles Babbage completó su Artefacto una máquina de propósito específico que se podía usar para calcular valores de funciones polinómicas.
  • el diseño de un computador moderno

    el diseño de un computador moderno

    se creó el diseño de un computador moderno de propósito general.
  • Primera programadora

    Primera programadora

    Lady Ada Augusta Lovelace sugirió la idea de que las tarjetas perforadas se adaptaran de manera que causaran que el motor de Babbage repitiera ciertas operaciones.por esto se cree que ella es la primera programadora
  • desarrollo del Algebra

    desarrollo del Algebra

    fue desarrollada por Boole fue publicado por el lógico inglés George Booley se utilizaron tres operadores básicos algebraicos: y, o, y no
  • La primera máquina que uso el álgebra de Boole

    La primera máquina que uso el álgebra de Boole

    se utilizó para resolver problemas más rápido que humanos, fue inventada por William Stanley Jevons.
  • Calculadora de multiplicacio con tabla interna

    Calculadora de multiplicacio con tabla interna

    Ramón Verea, inventó una calculadora con una tabla interna de multiplicación.
  • Herman Hollerith

    Herman Hollerith

    desarrolló un sistema de cómputo mediante tarjetas perforadas.
  • la primera calculadora con teclas

    la primera calculadora con teclas

    Dorr Felt desarrolló su Comptómetro
  • La maquina exitosa de multiplicación Automática

    La maquina exitosa de multiplicación Automática

    fue desarrolló por Otto Steiger.
  • El primer tubo de vacio

    El primer tubo de vacio

    fue inventado por el estadounidense, Lee De Forest.Tenia 3 elementos estos eran capaces de recibir y amplificar señales de radio.
  • El primer circuito multivibrador o biestable

    El primer circuito multivibrador o biestable

    fue desarrollado por los inventores americanos W.H. Eccles y
    F.W. Jordan. El flip-flop permitió diseñar circuitosel ectrónicos que podían tener dos estados estables, alternativamente.
  • Puerta logica ADN

    Puerta logica ADN

    construida por Waltther Bothe una puerta lógica AND empleó sus usos en experimentos físicos,
  • Lsboratorios Bell

    Lsboratorios Bell

    Se fundan los laboratorios Bell.
  • Maquina diferencial parcialmente elctronica

    Maquina diferencial parcialmente elctronica

    Vannevar Bush construyó una máquina, capaz de resolver ecuaciones diferenciales.
  • Kurt Gödel

    Kurt Gödel

    Publicó un documento sobre los lenguajes formales basados en operaciones aritméticas.y mostro que los sistemas formales como las matematicas tradicionales son inconsistentes.
  • Se formaliza el concepto de algoritmo

    Se formaliza el concepto de algoritmo

    Alan Turing describe la máquina de Turing, la cual formaliza el concepto de algoritmo
  • Samuel Williams y George Stibitz

    Samuel Williams y George Stibitz

    completaron en los laboratorios Bell la calculadora que maneja numeros complejos.
  • La computadora Z3

    La computadora Z3

    fue creada por Konrad Zuse. Fue la primera máquina programable y completamente automática.
  • La calculadora de ecuaciones lineales.

    La calculadora de ecuaciones lineales.

    John Vincent Atanasoffy Clifford Edward Berry completaron una calculadora para resolver ecuaciones lineales simultáneas.
  • La Mark I

    La Mark I

    Se construyó en la Universidad de Harvard
  • Mal funcionamiento de la computadora marck I

    Mal funcionamiento de la computadora marck I

    Causado por la intrusión de una polilla.
  • La ENIAC

    La ENIAC

    Se construye en la Universidadde Pennsylvania la ENIAC,fue la primera computadora electrónica de propósito general.
  • Se inventa el transistor

    Se inventa el transistor

    en Laboratorios Bell por John Bardeen, Walter H. Brattain, y William Shockley.
  • Se desarrolla la primera memoria

    Se desarrolla la primera memoria

    Por Jay Forrester reemplazo no confiables tubos al vacío.
  • La teoria de turing

    La teoria de turing

    Fué expuesta por Alan Turing.Que explora el desarrollo natural y potencial de la inteligencia y comunicación humana y de computadoras.
  • Comienza a operar la EDVAC

    Comienza a operar la EDVAC

    era binaria y tuvo el primer programa diseñado para ser almacenado.
  • El primer ratón eléctrico.

    El primer ratón eléctrico.

    desarollado por Shannon
  • La IBM650

    La IBM650

    IBM fabricó su primera computadora escala industrial, la IBM650,se amplía el uso del lenguaje ensamblador para la programación,secreanmemoriasabasedemagnetismo
  • El lenguaje de programacion

    El lenguaje de programacion

    Se desarrolla el lenguaje de programación.
  • inteligencia artificial

    inteligencia artificial

    se crea el concepto de inteligencia artificial y Edsger Dijkstra inventa un algoritmo eficiente.
  • La impresora matriz de puntos

    La impresora matriz de puntos

    Se vende la primera impresora por parte de IBM.
  • Segunda generacion de computadoras

    Segunda generacion de computadoras

    El primer circuito integrado se construyó por Jack S. Kilby
  • Creación de programaciones

    Creación de programaciones

    Se desarrolla COBOL,Aparece ALGOL, Se crea el primer compilador de computador. C. Antony R. Hoare desarrolla el algoritmo de ordenamiento llamado quicksort
  • Concepto paginacion de memoria.

    Concepto paginacion de memoria.

    Kenneth Iverson inventa el lenguaje de programación APL en IBM.A parece el concepto de paginación de memoria.
  • Computadora ATLAS

    Computadora ATLAS

    Los primeros programas gráficos, Un equipo de la Universidad de Manchester completa la computadora ATLAS. Steve Russell escribe el primer juego de computadora, llamado Space-war.
  • El primer minicomputador comercial

    El primer minicomputador comercial

    Fué Distribuido por DEC.
  • La supercomputadora

    La supercomputadora

    Aparece el CDC 6600, la primera super computadora comercialmente disponible.
  • La Ley de moore y logica difusa

    La Ley de moore y logica difusa

    Se publica la ley de moore, se utilizo la logica difusa, J.B: denis introduce el concepto de segmentacion de memoria.
  • Programacion estructurada

    Programacion estructurada

    Aparecen los ensayos que definen la programacion estructura de hoy en dia.
  • El disquete

    El disquete

    Es inventado el diskette en IBM por David Noble.
    Richard Greenblatt son desarrollados los primeros programas exitosos de ajedrez.
  • Se funda la corporacion intel

    Se funda la corporacion intel

    fundada por Robert Noyce y Gordon Moore
  • LA NCP

    LA NCP

    fue creado la NCP para controlarla red ARPANET
  • la fibra optica

    la fibra optica

    Ese produce comercialmente el primer cable de fibra optica hecho por Corning Glass Works, Inc.. Se publica el primer modelo de base de datos relacional, por E. F. Codd.
  • Correos electronicos

    Correos electronicos

    Se presenta el primer procesador comercial.
    Se crea el primer programa para enviar correos electrónicos.
    Texas Instruments vende la primera calculadora electrónica portáti.
  • Disquetes pequeños

    Disquetes pequeños

    Aparecen los disquetes de 51/4 pulgadas. Se reconoce el primer virus informático.
  • Enthernet

    Enthernet

    Se crea el sistema Ethernet.
  • Microsoft

    Microsoft

    Se funda la empresa Microsoft.
  • Apple

    Apple

    Se funda la empresa Apple.
  • Apple II

    Apple II

    Se hace popular el ordenador Apple II, desarrollado por Steve Jobs y Steve Wozniak.
  • Word Star

    Word Star

    Se desarrolla el procesador de textos Word Star.
  • Aparece pacman y la hoja de cálculo

    Aparece pacman y la hoja de cálculo

    Dan Bricklin crea la primera hoja de cálculo.
    Aparece el juego de pacman por ToruItawani.
  • La Mycron 2000

    La Mycron 2000

    Surge el primer prototipo de Computadora deI nstrucción Reducida.
    La empresa Mycron lanza la primera microcomputadora, llamada Mycron 2000.
    Se desarrolla el primermicro procesador de 32-bit.
  • Apple II se lanza al mercado

    Apple II se lanza al mercado

    Se lanza al mercado el IBM PC.
    Apple presenta el primer computador personal el Apple II.
    Sony crea los disquetes de 31/2 pulgadas.
  • Compaq Computer Corporation

    Compaq Computer Corporation

    Se funda Compaq Computer Corporation.
  • hoja de calculo lotus 1-2-3.

    hoja de calculo lotus 1-2-3.

    Microsoft ofrece la versión 1.0 del procesador de textos Word.
    Nace el primer sistema operativo de Sun llamado Sun OS.
    Aparece el famoso Lotus 1-2-3, un programa de hoja de cálculo.
  • Apple y su Macintosh 128K

    Apple y su Macintosh 128K

    Apple Computer presenta su Macintosh 128K con el sistema operativo Mac OS.
    Las compañías Philips y Sony crean los CD-Roms.
    Se desarrolla el sistema de ventanas.
    Hewlett-Packard lanza su popular impresora Laser Jet.
  • Sistema operativo windows 1.0. de Micreosoft

    Sistema operativo windows 1.0. de Micreosoft

    Microsoft presenta el sistema operativo Windows 1.0. Compaq vnede la Compaq Desk pro 286. y sale el jugo de tetris
  • MP3

    MP3

    Aparece el programa de cálculo algebraico Math Cad.Se registra la primera patente de MP3.
  • microprocesador compaq 80386

    microprocesador compaq 80386

    Compaq introdujo la primera PC basada en el nuevo microprocesador de Intel; el 80386 de 32 bits,
  • Documento Firewalls

    Documento Firewalls

    Aparece el primer documento firewalls.
    Stephen Wolfram y su equipo sacan al mercado la primera versión del programa Mathematica.
  • Tarjeta de sonido Sound Blaster

    Tarjeta de sonido Sound Blaster

    Fué presentada po Creative Labs.
  • El hipertexto

    El hipertexto

    Fué creado por Tim Berners Lee.
    Se construlle el primer prototipo de porcesador optico en laboratorios bell.
  • Linux

    Linux

    Fué desarrollado por Linus Torval
  • Windows  3.1.

    Windows 3.1.

    Micreosoft lanza Windows 3.1.Aparece la primera version del sistema operativos solaris.
  • Multiusuario de 32bits.

    Multiusuario de 32bits.

    Microsoft lanza al mercado la version del sistema operativo multiusuario de 32bits.
    Se crea la lista TOP500 sobre los 500 ordenadores mas potentes.
  • navegador Net Scape Navigator

    navegador Net Scape Navigator

    Fue hecho por Marc Andress
  • Windows 95

    Windows 95

    Lanzamiento de Windows 95 por parte de Microsoft.
    Se especifica la vercion 1.5 del DVD la base del DVD actual
  • Internet 2

    Internet 2

    Se crea la version internet 2 más rapido que la version anterior.
    Se publica la primera version del navegador Web Opera.
  • Winamp

    Winamp

    Es creado el reproductor multimedia Winamp.
  • Google

    Google

    Es lanzado Windows 98 por Microsoft.
    Compac Adquirio Digital Equipement Corporation.
    Se funda Google por Larry Page y Sergey Brin.
  • MSN

    MSN

    Aparece el escritorio GNOME. Se publica la version de Mesenger MSN.Surge la Mac OS 9
  • Windows 2000

    Windows 2000

    Es lanzado el sistema operativo Windows 2000 por Microsoft. Tambien Windows Me. El lanzamiento de la Mac OS X.
  • .Net

    .Net

    Microsoft lanza la plateforma .Net. microsoft lanza el sistema operativo XP.
  • Mozila Firefox

    Mozila Firefox

    Se lanza el navegador Web Mozila Firefox.
  • You Tube

    You Tube

    Se lanza google Earth.tambien se lanza Windows XP Media Center Edition.Se crea you tube.Funciona el supercomputador Mare Nostrumetenel IBSC.
  • Windows Vista

    Windows Vista

    Se lanza Windows Vista. y se pone a funcionar el supercomputador megerit de CeSViMa.
  • La Mac OS X Lepard10.5

    La Mac OS X Lepard10.5

    La Apple lanza una nueva version de la Mac OS X Leopard 10.5
    La empresa Dell lanza su computadora portátil.
  • Iphone 3G de la Apple

    Iphone 3G de la Apple

    La Apple lanza su Macbook Air.tambien lanza el Iphone 3G Google lanza su Iphone G1. Se lanza el navegador Google Chome.
  • Windows 7

    Windows 7

    Apple lanza su nueva vercion la Mac SO X snow Leopard 10.6
    Se lanza Windows 7de microsoft.
  • Procesador movil de Qualcomm

    Procesador movil de Qualcomm

    Se espera el lanzamiento de google chrome OS. se espera el lanzamieento de la USB 3.0. Qualcomm la el primer procesador movil doble nucleo de 1,5 Ghz.

Plan projects on a visual timeline

Map milestones, phases, deadlines, and key events in one place so the sequence is easier to see and share. Timetoast is a timeline maker for work, school, research, and stories.