MICROELECTRONICA

  • Calculadora

    Calculadora

    Babbege desarrolló una máquina calculadora (con
    las operaciones básicas de suma, resta, multiplicación y división) utilizando dispositivos mecánicos. Realizaba las operaciones en dos ciclos: almacenar y ejecutar, y tenía una estructura en pipeline para acelerar las operaciones. No obstante, dicha máquina fue impracticable para la época debido al coste excesivamente elevado.
  • Relés y tubos de vacío

    Uno de los campos en los que la utilización de los relés fue mayor es el campo ferroviario, de hecho, aun en nuestros
    días se suelen utilizar estos dispositivos. Se puede decir que la era digital comenzó con los tubos de vacío, ya que con ellos se desarrollaron las primeras computadoras
  • transistores MOSFET

    transistores MOSFET

    Es el transistor más utilizado en la industria microelectrónica, ya sea en circuitos analógicos o digitales, aunque el transistor de unión bipolar fue mucho más popular en otro tiempo. Prácticamente la totalidad de los microprocesadores comerciales están basados en transistores MOSFET.
  • UNIVACI

    UNIVACI

    se produjo la primera máquina computadora comercial llamada UNIVAC (University Automatic Computer), se instaló en el departamento de sensos de los Estados Unidos.Se donó a la universidad de Harvard y Pensilvania. Fue la primera computadora fabricada para un propósito no militar, desde el acabado de la Z3.
  • ENIAC

    Fue inicialmente diseñada para calcular tablas de tiro de artillería para el Laboratorio de Investigación Balística del Ejército de los Estados Unidos
  • Transistores bipolares

    Transistores bipolares

    Es un dispositivo electrónico de estado sólido consistente en dos uniones PN muy cercanas entre sí, que permite controlar el paso de la corriente a través de sus terminales.
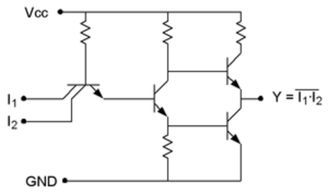
  • TTL

    TTL

    Es una tecnología de construcción de circuitos electrónicos digitales. En los componentes fabricados con tecnología TTLRS los elementos de entrada y salida del dispositivo son transistores bipolares
  • los transistores MOSFET entraron enla escena del procesado de señal digital

  • Culminó la fabricación del primer microprocesador

Plan projects on a visual timeline

Map milestones, phases, deadlines, and key events in one place so the sequence is easier to see and share. Timetoast is a timeline maker for work, school, research, and stories.